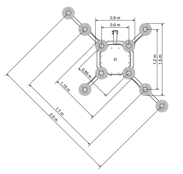
| Número de ventosas | 10 uds. |
| Diámetro de las ventosas | Ø 310 mm |
| Sistema de vacío | Sistema de doble circuito |
| Vacío min/máx | -0,6 / -0,8 bar |
| Alimentación | Batería 12 V |
| Capacidad de carga | 800 kg |
| Rotación | Rotación manual 360° (bloqueo cada 45°) |
| Control remoto | Sí |
| Inclinación | Inclinación manual multietapa |
| Cargador | Sí, con indicador de carga |
| Peso del equipo | 96 kg |
| Montaje del gancho | De dos niveles |
Equipamiento opcional
| Distanciadores HS | Ajuste de profundidad de la ventosa |
| Carro de transporte | Para mover el equipo |
| Palet jaula | Para almacenar el manipulador |
| Fundas protectoras | Para proteger las ventosas |






